legines.com
702 omgekeerde Flare Union T -shirtfittingen

702 omgekeerde Flare Union T -shirtfittingen

Productkenmerken:
■■ Alle koperen constructie
■■ UL vermeld voor brandbare vloeistof en gas
■■ Voldoet aan functionele vereisten van SAE J512
■■ Stalen noot voor economie

Markten: Toepassingen:
■■ Airconditioning ■■ Koelmiddelen
■■ Mariene ■■ Remlijnen
■■ Mobiel ■■ Brandstofleidingen
■■ Motoren

Compatibele buizen:
■■ Koper
■■ Messing
■■ Aluminium
■■ Gelaste stalen hydraulische buizen

Referentie Onderdeel NR:
244ifhd -702 -441

Neem contact met ons op

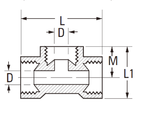
Specificaties

DEEL#

Buis o.d

D

M

L

702-2 1/8 .078 .330 .94
702-3 3/16 .125 .390 1.09
702-4 1/4 .188 .420 1.13
702-5 5/16 .219 .450 1.25
702-6 3/8 .281 .560 1.48
702-8 1/2 .406 .937 1.76

*Ref.SAE No.040401 BA

De omgekeerde Flare Union T -shirt wordt gebruikt om twee buizen aan te sluiten. Deze pasvorm maakt het mogelijk dat de stroom van één verbinding kan verlaten vanuit de tegenovergestelde verbinding zonder de druk of stroom te verminderen. Het heeft een volledig in elkaar grijpende koperen constructie en beschikt over een SAE J512 -conform ontwerp, waardoor het corrosie kan weerstaan. De omgekeerde Flare Union T -shirt kan worden gebruikt in zowel commerciële als industriële toepassingen zoals airconditioning, koelmiddelen, mariene motoren, remleidingen en mobiele brandstoflijnen.
Onze 702 omgekeerde Flare Union T -shirtfittingen zijn gemaakt van messing en voldoen aan de vereisten van SAE J512. Het heeft een stalen noot voor economie die kan worden gebruikt in de lijnen van antivries, remvloeistof, koelwater van mariene motoren en goo.

Contact met ons

Over Legines

LEGINES INDUSTRIËLE MACHINEREN INC.

Als een professionele fabrikanten van koperen fittingen in China en push op leveranciers van fittingen. Het neemt volledige CNC -bewerking aan en bezit een workshopgebied van 3600 vierkante meter. 45 Automatische machine-tools, 35 semi-automatische CNC-machine-tools, evenals distributeurs, die belangrijke leveranciers zijn geworden voor de productie van Amerikaanse standaard messing onderdelen in China ...
  • eer
  • eer

Instructies & NIEUWS