legines.com
100 messing omgekeerde flare fitting buismoer

100 messing omgekeerde flare fitting buismoer

Productkenmerken:
■■ Alle koperen constructie
■■ UL vermeld voor brandbare vloeistof en gas
■■ Voldoet aan functionele vereisten van SAE J512
■■ Stalen noot voor economie

Markten: Toepassingen:
■■ Airconditioning ■■ Koelmiddelen
■■ Mariene ■■ Remlijnen
■■ Mobiel ■■ Brandstofleidingen
■■ Motoren

Compatibele buizen:
■■ Koper
■■ Messing
■■ Aluminium
■■ Gelaste stalen hydraulische buizen

Referentie Onderdeel NR:
2100 41if -100 -41ib

Neem contact met ons op

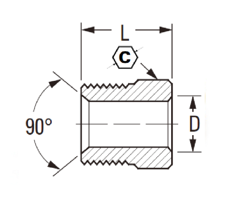
Specificaties

DEEL#

Buis o.d

C

D

L

100-3

3/16 3/8 .196

.56

100-4

1/4 7/16 .259 .56

100-5

5/16 1/2 .321 .62

100-6

3/8 5/8 .384 .66

100-8

1/2

3/4

.508

.74

*Ref.SAE No.040110 BA

Stevig en economisch, deze omgekeerde flare fitting is gemaakt van messing. De montage omvat een stalen moer voor veiligheid en kan worden gebruikt met koper-, messing- of aluminium buizen. Het voldoet aan alle functionele vereisten van SAE J512.
All-Brass Construction, 100% ASME B16.28, SAE J512 & SAE J5195.0 Compressorfittingen zijn ontworpen voor gebruik in hoge temperatuurtoepassingen van stoom en water. Blaadpijpcompatibiliteit, het kan worden aangesloten op elke stalen slang of buis tot 1 inch (25 millimeter).
Deze omgekeerde flare -fitting buismoer, beter bekend als een koppeling, is ontworpen om twee stukken slangen in hetzelfde vlak aan te sluiten. De fitting gebruikt een stalen moer met een flare uiteinde die past in de vrouwelijke flare aanpassing aan het andere uiteinde van de buis. Deze fittingen worden veelvuldig gebruikt in een scala aan toepassingen, van airconditioning tot mariene en mobiele dieselmotoren.
Zware - deze omkeerflankfittingen worden volledig van messing gemaakt en zijn speciaal ontworpen om te worden gebruikt met koper- of aluminium buizen. Elke aanpassing is volledig verstelbaar en de zware constructie zorgt voor duurzaamheid tijdens het gebruik.

Contact met ons

Over Legines

LEGINES INDUSTRIËLE MACHINEREN INC.

Als een professionele fabrikanten van koperen fittingen in China en push op leveranciers van fittingen. Het neemt volledige CNC -bewerking aan en bezit een workshopgebied van 3600 vierkante meter. 45 Automatische machine-tools, 35 semi-automatische CNC-machine-tools, evenals distributeurs, die belangrijke leveranciers zijn geworden voor de productie van Amerikaanse standaard messing onderdelen in China ...
  • eer
  • eer

Instructies & NIEUWS