legines.com
131 omgekeerde remlijnstekker

131 omgekeerde remlijnstekker

Productkenmerken:
■■ Alle koperen constructie
■■ UL vermeld voor brandbare vloeistof en gas
■■ Voldoet aan functionele vereisten van SAE J512
■■ Stalen noot voor economie

Markten: Toepassingen:
■■ Airconditioning ■■ Koelmiddelen
■■ Mariene ■■ Remlijnen
■■ Mobiel ■■ Brandstofleidingen
■■ Motoren

Compatibele buizen:
■■ Koper
■■ Messing
■■ Aluminium
■■ Gelaste stalen hydraulische buizen

Neem contact met ons op

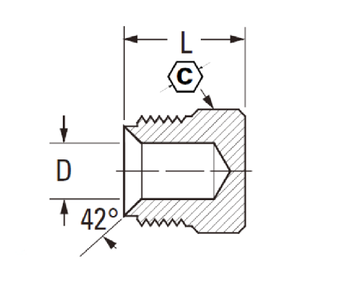
Specificaties

DEEL#

Buis o.d

C

D

L

131-3

3/16 3/8 .188

.53

131-4

1/4 7/16 .188 .54

131-5

5/16 1/2 .250 .59

131-6

3/8 5/8 .312 .66

*Ref.SAE No.040109 BA

Onze 131 -serie messing omgekeerde remlijnfittingen is speciaal ontworpen voor gas- en brandstofleidingen. Het omgekeerde ontwerp biedt een lekvrije verbinding in strakke toepassingen.
De 131 stalen omgekeerde remlijnstekker is een compatibele brandweer- of benzine-compatibel, omgekeerde sleutelstijl die is ontworpen om het terminaluiteinde van flexibele slang af te sluiten. Het is gemaakt van zinkvermeld staal voor corrosieweerstand en een integrale plastic inzetstuk dat sterkte biedt tegen vervorming. Ook beschikbaar met een koperen constructie.
Dit product is een koperen en stalen vergulde stekker met omgekeerde flare -fitting. Het is gemaakt om 1/8 buis te accepteren. De dimensie is .53 "diameter bij 0,54" diep, deze stijl van plug kan alleen worden gebruikt op koper-, staal- en aluminium buizen.
Economie is vaak de naam van het spel in remlijntoepassingen. En er is geen betere manier om geld te besparen dan met deze lijnplug die frisse lucht uit je lijnen houdt, maar ziet er geweldig uit en zal nog jaren duren. Met een stalen moer en koperen vat zal dit zeker aan uw behoeften voldoen.

Contact met ons

Over Legines

LEGINES INDUSTRIËLE MACHINEREN INC.

Als een professionele fabrikanten van koperen fittingen in China en push op leveranciers van fittingen. Het neemt volledige CNC -bewerking aan en bezit een workshopgebied van 3600 vierkante meter. 45 Automatische machine-tools, 35 semi-automatische CNC-machine-tools, evenals distributeurs, die belangrijke leveranciers zijn geworden voor de productie van Amerikaanse standaard messing onderdelen in China ...
  • eer
  • eer

Instructies & NIEUWS