legines.com
302 Messing Brake Line Union Past

302 Messing Brake Line Union Past

Productkenmerken:
■■ Alle koperen constructie
■■ UL vermeld voor brandbare vloeistof en gas
■■ Voldoet aan functionele vereisten van SAE J512
■■ Stalen noot voor economie

Markten: Toepassingen:
■■ Airconditioning ■■ Koelmiddelen
■■ Mariene ■■ Remlijnen
■■ Mobiel ■■ Brandstofleidingen
■■ Motoren

Compatibele buizen:
■■ Koper
■■ Messing
■■ Aluminium
■■ Gelaste stalen hydraulische buizen

Referentie Onderdeel NR:
302 -2300 -42ifhd

Neem contact met ons op

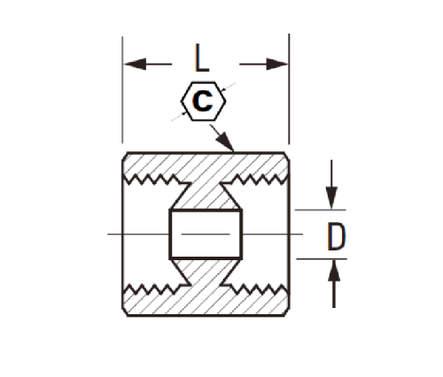
Specificaties

DEEL#

Inv.Flare × Inv.Flare

C

D

L

302-2

1/8 13/32 .78

.59

302-3

3/16 15/32 .125

.62

302-4 1/4 17/32 .188 .62

302-5

5/16 19/32 .219 .70

302-6

3/8 3/4 .281 .80
302-8 1/2

29/32

.406

.91

*Ref.SAE No.040101 BA

Deze vakbondsaanpassing wordt gebruikt voor alle soorten toepassingen, zoals airconditioningslijnen, koelmiddellijnen, mariene, mobiele brandstoflijnen, motoren en transmissies. Het bestaat uit koperen constructie en heeft een stalen noot voor economie.
De Brass Flexible Line Union-aanpassing van 302-serie wordt gebruikt om secties van slangen met flare aan te sluiten. De 302 -serie is ideaal voor remlijnen, brandstofleidingen en koellijnen. De stalen moer wordt gebruikt om de lijnunie op zijn plaats te beveiligen. De 302-serie is ontworpen voor gebruik met koper- en aluminium buizen.
Met deze messing vakbondsfitting kunt u snel en betrouwbaar secties van slang verbinden. Het is gemaakt van messing, dat hittebestendig en corrosievrij is. Het is gemakkelijk te installeren, dankzij de rubberen pakking van Norprene die een strakke afdichting tussen de eindfittingen biedt, het verminderen van lekken of lekken. De vakbondsfitting is compatibel met buizen gemaakt van koper, messing of aluminium.
Deze unie biedt een middel voor de verbinding van twee stukken slang. Het hoofdlichaam is gemaakt van messing met een stalen noot voor economie. De bezaaide inlaat die in één buis is geschroefd, past in een groef in het lichaam van de Union -fitting en zwaaide op een koperen flare. De tweede buis gaat door een externe groef om veilig te worden vastgemaakt door een interne pin die ook indien gewenst in zijn eigen groove kan worden geplaatst.

Contact met ons

Over Legines

LEGINES INDUSTRIËLE MACHINEREN INC.

Als een professionele fabrikanten van koperen fittingen in China en push op leveranciers van fittingen. Het neemt volledige CNC -bewerking aan en bezit een workshopgebied van 3600 vierkante meter. 45 Automatische machine-tools, 35 semi-automatische CNC-machine-tools, evenals distributeurs, die belangrijke leveranciers zijn geworden voor de productie van Amerikaanse standaard messing onderdelen in China ...
  • eer
  • eer

Instructies & NIEUWS