legines.com
105L stalen buis lange draadmoer

105L stalen buis lange draadmoer

Productkenmerken:
■■ Alle koperen constructie
■■ UL vermeld voor brandbare vloeistof en gas
■■ Voldoet aan functionele vereisten van SAE J512
■■ Stalen noot voor economie

Markten: Toepassingen:
■■ Airconditioning ■■ Koelmiddelen
■■ Mariene ■■ Remlijnen
■■ Mobiel ■■ Brandstofleidingen
■■ Motoren

Compatibele buizen:
■■ Koper
■■ Messing
■■ Aluminium
■■ Gelaste stalen hydraulische buizen

Referentie Onderdeel NR:

Neem contact met ons op

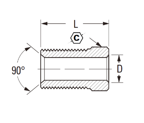
Specificaties

DEEL#

Buis o.d

C

D

L

105L-3

3/16 3/8 .196

.844

105L-4

1/4 7/16 .257 .812

Dit is een koperen constructie, lange draadmoer voor buis tot 1/4 "O.D. -materiaal. Het beschikt over UL vermeld voor ontvlambare vloeistof en gas, voldoet aan functionele vereisten van SAE J512 & UL 923/UL 181 -normen en is compatibel met FMVSS 135 & FMVSS 302 -specificaties
Op zoek naar roestvrijstalen buismoeren? Deze lijst is voor jou! De 105L roestvrijstalen buis Lange draadmoer is een geweldige upgrade naar uw sanitairsysteem dat is gebouwd uit alle koperen constructie en voldoet aan de functionele vereisten van SAE J512. Het komt in vele maten, dus zorg ervoor dat je ze bekijkt.

Contact met ons

Over Legines

LEGINES INDUSTRIËLE MACHINEREN INC.

Als een professionele fabrikanten van koperen fittingen in China en push op leveranciers van fittingen. Het neemt volledige CNC -bewerking aan en bezit een workshopgebied van 3600 vierkante meter. 45 Automatische machine-tools, 35 semi-automatische CNC-machine-tools, evenals distributeurs, die belangrijke leveranciers zijn geworden voor de productie van Amerikaanse standaard messing onderdelen in China ...
  • eer
  • eer

Instructies & NIEUWS