legines.com
202 omgekeerde flare fittingen mannelijke connector

202 omgekeerde flare fittingen mannelijke connector

Productkenmerken:
■■ Alle koperen constructie
■■ UL vermeld voor brandbare vloeistof en gas
■■ Voldoet aan functionele vereisten van SAE J512
■■ Stalen noot voor economie

Markten: Toepassingen:
■■ Airconditioning ■■ Koelmiddelen
■■ Mariene ■■ Remlijnen
■■ Mobiel ■■ Brandstofleidingen
■■ Motoren

Compatibele buizen:
■■ Koper
■■ Messing
■■ Aluminium
■■ Gelaste stalen hydraulische buizen

Referentie Onderdeel NR:
2200 -48ifhd -202 -48W -200

Neem contact met ons op

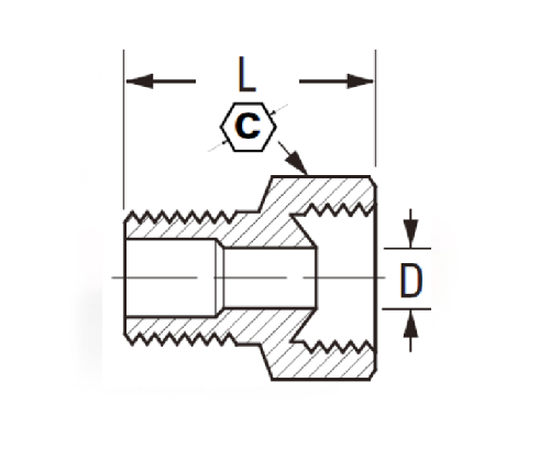
Specificaties

DEEL#

Buis o.d × thread

C

D

L

202-2A

1/8 × 1/8 13/32 .078 .62

202-3A

3/16 × 1/8 15/32 .125 .70

202-4A

1/4 × 1/8 17/32 .188 .74

202-4B

1/4 × 1/4 9/16 .188 .89

202-5A

5/16 × 1/8 19/32 .219 .79

202-5B

5/16 × 1/4 19/32 .220 .98

202-6A

3/8 × 1/8 3/4 ..281 .89

202-6B

3/8 × 1/4 3/4 .281 1.03

202-6c

3/8 × 3/8 3/4 .281 1.01

202-8B

1/2 × 1/4 29.32 .406 1.08

202-8c

1/2 × 3/8 29/32 .406 1.07

202-8d

1/2 × 1/2 29/32 .406 1.26

202-10d

5/8 × 1/2 1-1/16 .531 1.32

202-12e

3/4 × 3/4 1-1/4 .625 1.39

*Ref.SAE No.040102 BA

Omgekeerde flare -fittingen kunnen in veel toepassingen worden gebruikt. Deze fittingen zijn geconstrueerd uit messing, wat zorgt voor duurzaamheid en corrosieweerstand. Geïntegreerde O-ringafdichtingen worden gebruikt om lekvrije prestaties te garanderen. De SAE -fitting voldoet ook aan SAE J512 -vereisten voor systemen onder druk.
We bieden een grote selectie flare fittingen, waaronder super-duty, industriële en standaard rozebud. Onze omgekeerde flare -fittingen zijn gemaakt van 100% messing, waardoor ze ideaal zijn voor alle industriële toepassingen.
Omgekeerde flare -fittingen worden gebruikt om slangen en slangen te verbinden met kleppen of andere apparaten. Ze bestaan uit een klemmoer, een buisaanpassing en een vergrendelingsring. De klemmoer wordt op de slang strakker en houdt de buis stevig op zijn plaats en de vergrendelingsring voorkomt dat de buis wordt getrokken terwijl hij deze onderhoudt. De aanscherpende kracht is groot genoeg dat deze fittingen kunnen worden gebruikt zonder PTFE -tape, maar u moet de schroefdraden nog steeds smeren voorafgaand aan de montage.

Contact met ons

Over Legines

LEGINES INDUSTRIËLE MACHINEREN INC.

Als een professionele fabrikanten van koperen fittingen in China en push op leveranciers van fittingen. Het neemt volledige CNC -bewerking aan en bezit een workshopgebied van 3600 vierkante meter. 45 Automatische machine-tools, 35 semi-automatische CNC-machine-tools, evenals distributeurs, die belangrijke leveranciers zijn geworden voor de productie van Amerikaanse standaard messing onderdelen in China ...
  • eer
  • eer

Instructies & NIEUWS