legines.com
502 omgekeerde flare union elleboog

502 omgekeerde flare union elleboog

Productkenmerken:
■■ Alle koperen constructie
■■ UL vermeld voor brandbare vloeistof en gas
■■ Voldoet aan functionele vereisten van SAE J512
■■ Stalen noot voor economie

Markten: Toepassingen:
■■ Airconditioning ■■ Koelmiddelen
■■ Mariene ■■ Remlijnen
■■ Mobiel ■■ Brandstofleidingen
■■ Motoren

Compatibele buizen:
■■ Koper
■■ Messing
■■ Aluminium
■■ Gelaste stalen hydraulische buizen

Referentie Onderdeel NR:
502 -450

Neem contact met ons op

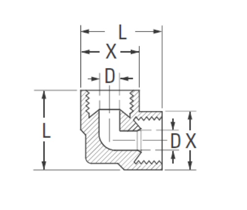
Specificaties

DEEL#

Buis o.d

D

M

L

502-4 1/4 .188 .53 .77
*502-5 5/16 .219 .59 .86
*502-6 3/8 .281 .72 1.04

*Niet standaard

*Ref.sae No.040201 BA

De 502 Inverted Flare Union Elbow is een flare unie die een universeel compatibele verbinding biedt voor slang aan de stroomafwaartse zijde van het onderdeel. Het heeft alle koperen constructie, is UL vermeld voor brandbare vloeistof en gas en voldoet aan de functionele vereisten van SAE J512. Stalen noot voor economie Controleer Ref nr.
Deze Union -elleboog is een sanitairaanpassing die wordt gebruikt in koel- en airconditioningsystemen. Het is meestal verbonden met koper-, zilver- of messingslang. De wijd uitlopende fittingen omvatten afvoergaten om de condensatie van de slang te laten leeglopen.

Contact met ons

Over Legines

LEGINES INDUSTRIËLE MACHINEREN INC.

Als een professionele fabrikanten van koperen fittingen in China en push op leveranciers van fittingen. Het neemt volledige CNC -bewerking aan en bezit een workshopgebied van 3600 vierkante meter. 45 Automatische machine-tools, 35 semi-automatische CNC-machine-tools, evenals distributeurs, die belangrijke leveranciers zijn geworden voor de productie van Amerikaanse standaard messing onderdelen in China ...
  • eer
  • eer

Instructies & NIEUWS