legines.com
252 omgekeerde flare vrouwelijke adapterfittingen

252 omgekeerde flare vrouwelijke adapterfittingen

Productkenmerken:
■■ Alle koperen constructie
■■ UL vermeld voor brandbare vloeistof en gas
■■ Voldoet aan functionele vereisten van SAE J512
■■ Stalen noot voor economie

Markten: Toepassingen:
■■ Airconditioning ■■ Koelmiddelen
■■ Mariene ■■ Remlijnen
■■ Mobiel ■■ Brandstofleidingen
■■ Motoren

Compatibele buizen:
■■ Koper
■■ Messing
■■ Aluminium
■■ Gelaste stalen hydraulische buizen

Referentie Onderdeel NR:
461FHD -252 -46W

Neem contact met ons op

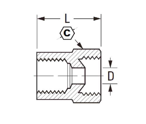
Specificaties

DEEL#

Buis o.d × thread

C

D

L

252-3A

3/16 × 1/8 15/32 .125 .62

252-4A

1/4 × 1/8 17/32 .188 .62

252-5B

5/16 × 1/4 19/32 .220 .70

252-6B

3/8 × 1/4 3/4 .281 .80

252-8c

1/2 × 3/8 29/32 .406 .91

*Ref.sae No.040103 BA

Deze alle messing vrouwelijke flare adapter heeft een omgekeerde flare voor gebruik met standaard mannelijke wijd uitlopende fittingen. Het biedt een betrouwbare afdichting om lekkage te voorkomen en is SAE J512 goedgekeurd. De stalen moer wordt aanbevolen voor economy -toepassingen, waarbij een permanent geïnstalleerde flare -fitting nog steeds in een korte periode moet worden verwijderd of opnieuw moeten worden geïnstalleerd.
De 252 -serie die extra veelzijdigheid en duurzaamheid biedt, zal pijpen een externe diameter van 3/16 ", 1/4", 5/16 "en 3/8" bevatten. Dit zorgt ervoor dat het compatibel is met vrijwel al uw tankfittingen. Je zult ook onder de indruk zijn van de duurzame constructie, en zorgt voor een lange levensduur, ongeacht hoe vaak je het gebruikt.
Deze adapterfitting is ontworpen om slangen aan te sluiten op slangen en kleppen. Gemaakt van messing, deze fitting voldoet aan de industrienormen en is ontworpen voor gebruik in automotive- en mariene toepassingen.
De omgekeerde flare vrouwelijke adapter is een vrouwelijke aanpassing die compatibel is met SAE 1/2 "NPT -draden en SAE 3/8" buizen. Gebouwd uit duurzame materialen en ontworpen voor uitgebreid gebruik, zijn deze fittingen geweldig voor elk huis of bedrijf.

Contact met ons

Over Legines

LEGINES INDUSTRIËLE MACHINEREN INC.

Als een professionele fabrikanten van koperen fittingen in China en push op leveranciers van fittingen. Het neemt volledige CNC -bewerking aan en bezit een workshopgebied van 3600 vierkante meter. 45 Automatische machine-tools, 35 semi-automatische CNC-machine-tools, evenals distributeurs, die belangrijke leveranciers zijn geworden voor de productie van Amerikaanse standaard messing onderdelen in China ...
  • eer
  • eer

Instructies & NIEUWS