legines.com
3350# 45 graden straat elleboog messing pijpfittingen

3350# 45 graden straat elleboog messing pijpfittingen

Productkenmerken: Markten:
■■ Alle koperen constructie ■■ Industrieel
■■ Voldoet aan functionele vereisten van ■■ Bouw
SAE J530 en SAE J531 ■■ Zware vrachtwagen
■■ Threads gemaakt volgens DrySeal Standards ■■ Mobiel
■■ Zowel smeedstukken als extrusies beschikbaar ■■ Fabriek/procesautomatisering

Toepassingen: compatibele slang:
■■ Luchtlijnen ■■ Koper
■■ Waterlijn ■■ Messing
■■ Koellijnen ■■ IJzeren buis

Specificaties:
Drukbereik tot 1000 psi
Temperatuurbereik -65 ° tot 250 ° F

Typische toepassing:
Vet, brandstoffen, LP en aardgas, koeling. Instrumentatie en hydraulische systemen

Conformiteit:
Voldoet aan specificaties en normen van ASA, ASME en SAE.

Referentie Onderdeel NR:
306 -3350 -2214p -224 -124a

Neem contact met ons op

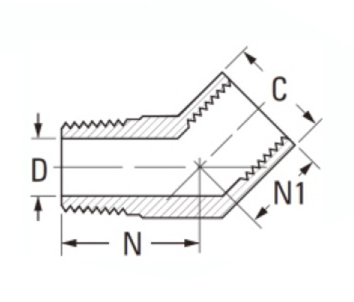
Specificaties

DEEL# Draadmaat C D N N1
3350-A 1/8 × 1/8 9/16 .219 .50 .38
3350-B 1/4 × 1/4 11/16 .315 .74 .56
3350-C 3/8 × 3/8 13/16 .438 .78 .56
3350-D 1/2 × 1/2 1 " .562 1.00 .76
3350-E 3/4 × 3/4 1 "-1/4 .750 1.06 .75

*Ref.sae No.130339

De 3350 is een elleboogvormige fitting van 45 graden straat. De aanpassing wordt gemaakt om te worden gebruikt met verschillende leidingmaterialen en kan bestand zijn tot 1000 psi. Het heeft ook een bedrijfstemperatuurbereik tussen -65˚ en 250˚F. Onze 45 graden straat elleboog messing pijpfittingen worden gemaakt volgens uw exacte specificaties door ons team van ervaren fabrikanten. De straatelleboog is een pijpaanpassing met twee pijpdraden aan het ene uiteinde en het andere uiteinde heeft een bocht van 90 ° in de pijp. De street ellebogen worden in veel verschillende industrieën gebruikt, van sanitair tot transport. Straat ellebogen worden gemaakt in vrouwelijke of mannelijke configuratie om de stroom vloeistoffen of gassen te vergroten over een reeks drukken, temperaturen en lijngroottes indien nodig door de klant.

Contact met ons

Over Legines

LEGINES INDUSTRIËLE MACHINEREN INC.

Als een professionele fabrikanten van koperen fittingen in China en push op leveranciers van fittingen. Het neemt volledige CNC -bewerking aan en bezit een workshopgebied van 3600 vierkante meter. 45 Automatische machine-tools, 35 semi-automatische CNC-machine-tools, evenals distributeurs, die belangrijke leveranciers zijn geworden voor de productie van Amerikaanse standaard messing onderdelen in China ...
  • eer
  • eer

Instructies & NIEUWS