legines.com
3151# messing fittingen vierkante hoofdstekker pijp fittingen

3151# messing fittingen vierkante hoofdstekker pijp fittingen

Productkenmerken: Markten:
■■ Alle koperen constructie ■■ Industrieel
■■ Voldoet aan functionele vereisten van ■■ Bouw
SAE J530 en SAE J531 ■■ Zware vrachtwagen
■■ Threads gemaakt volgens DrySeal Standards ■■ Mobiel
■■ Zowel smeedstukken als extrusies beschikbaar ■■ Fabriek/procesautomatisering

Toepassingen: compatibele slang:
■■ Luchtlijnen ■■ Koper
■■ Waterlijn ■■ Messing
■■ Koellijnen ■■ IJzeren buis

Specificaties:
Drukbereik tot 1000 psi
Temperatuurbereik -65 ° tot 250 ° F

Typische toepassing:
Vet, brandstoffen, LP en aardgas, koeling. Instrumentatie en hydraulische systemen

Conformiteit:
Voldoet aan specificaties en normen van ASA, ASME en SAE.

Referentie Onderdeel NR:
3151 -211p -109a -109b

Neem contact met ons op

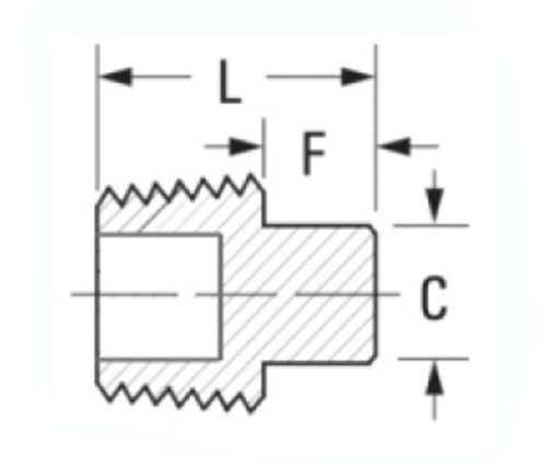
Specificaties

DEEL#

Draadmaat

C

F

L

3151-A

1/8

.28

.24

.58

3151-B

1/8

.37

.29

.80

*3151L-B

1/4

.37

.29

.80

3151-C

3/8

.43

.32

.80

3151L-C

3/8

.43

.32

.80

3151-D

1/2

.56

.39

1.07

*3151L-D

1/2

.56

.39

1.07

3151-E

3/4

.62

.43

1.11

*3151L-E

3/4

.62

.43

1.11

*Holle

Onze 3151 -serie biedt een volledig scala aan buisfittingen die worden gebruikt in luchtlijnen, waterleidingen en smeersystemen. Deze koperen fittingen zijn vervaardigd van SAE J530 en SAE J531 -materialen om aan uw werkdruk en temperaturen te voldoen voor de levensduur van de betrouwbare services. Fittingen hebben zowel beschikbaar als extrusies die beschikbaar zijn, evenals corrosiebestendige platingafdekkingen die kunnen worden geverfd volgens elke OEM -standaard. Alle koperen constructie biedt superieure corrosieweerstand en sterkte. Deze fitting voldoet aan de J530 -standaard en is compatibel met drysale pijpdraad. Of u nu een nieuwe luchtlijn bouwt of oudere metalen fittingen vervangt door moderne technologie, deze duurzame fittingen zullen u helpen de klus goed te klaren.
De vierkante hoofdstekkerfittingen worden vervaardigd van messing en kunnen worden gebruikt in verschillende toepassingen, waaronder koellijnen, waterleidingen, luchtlijnen en elektronische verbindingen. Elke fitting is compatibel met koperen buizen of ijzeren buis en koperen buizen.

Contact met ons

Over Legines

LEGINES INDUSTRIËLE MACHINEREN INC.

Als een professionele fabrikanten van koperen fittingen in China en push op leveranciers van fittingen. Het neemt volledige CNC -bewerking aan en bezit een workshopgebied van 3600 vierkante meter. 45 Automatische machine-tools, 35 semi-automatische CNC-machine-tools, evenals distributeurs, die belangrijke leveranciers zijn geworden voor de productie van Amerikaanse standaard messing onderdelen in China ...
  • eer
  • eer

Instructies & NIEUWS