legines.com
55# SAE 45 ° Flare Fittingen gesmeed 90 ° Flare elleboog

55# SAE 45 ° Flare Fittingen gesmeed 90 ° Flare elleboog

Productkenmerken:
■■ Alle koperen constructie
■■ Weer bestand tegen trillingen met het gebruik van lange moer
■■ UL -aanbieding
■■ Functionele vereisten van SAE J512 en J513


Markten: Toepassingen:
■■ Koeling ■■ Koelmiddelen
■■ Zware vrachtwagen ■■ Propaan
■■ Mobiel ■■ Brandstoffen
■■ Industrieel ■■ Adapters
■■ Verwarming ■■ Aardgas
■■ Airconditioning

Referentie Onderdeel NR:
E2 -155f -55 -10044 tot 10412

Neem contact met ons op

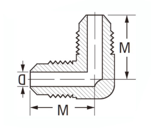
Specificaties

DEEL#

Tube O. D

C

D

L

55-2

1/8

3/8

.079

.64

55-3

3/16

3/8

.126

.73

55-4

1/4

3/8

.189

.81

55-5

5/16

7/16

.220

.92

55-6

3/8

7/16

.282

1.04

55-8

1/2

9/16

.408

1.31

55-10

5/8

11/16

.502

1.39

5512

3/4

7/8

.627

1.53

55-6 × 4

3/8 × 1/4

7/16

/

/

55-8 × 6

1/2 × 3/8

7/16

/

/

55-10 × 8

5/8 × 1/2

11/16

/

/

*Dimensiegegevens kunnen zonder kennisgeving veranderen

*Ref.sae.no.010201

SAE 45 ° Flare Fittingen gesmeed 90 ° Flare elleboog is ideaal voor aardgas en propaan. De producten hebben een koperen constructie van hoge kwaliteit, met lange noot. Onze fittingen zijn UL vermeld en voldoen aan de functionele vereisten van SAE J512 en J513.

Contact met ons

Over Legines

LEGINES INDUSTRIËLE MACHINEREN INC.

Als een professionele fabrikanten van koperen fittingen in China en push op leveranciers van fittingen. Het neemt volledige CNC -bewerking aan en bezit een workshopgebied van 3600 vierkante meter. 45 Automatische machine-tools, 35 semi-automatische CNC-machine-tools, evenals distributeurs, die belangrijke leveranciers zijn geworden voor de productie van Amerikaanse standaard messing onderdelen in China ...
  • eer
  • eer

Instructies & NIEUWS