legines.com
42# SAE 45 ° Flare vrouwelijke connector fittingen

42# SAE 45 ° Flare vrouwelijke connector fittingen

Productkenmerken:
■■ Alle koperen constructie
■■ Weer bestand tegen trillingen met het gebruik van lange moer
■■ UL -aanbieding
■■ Functionele vereisten van SAE J512 en J513


Markten: Toepassingen:
■■ Koeling ■■ Koelmiddelen
■■ Zware vrachtwagen ■■ Propaan
■■ Mobiel ■■ Brandstoffen
■■ Industrieel ■■ Adapters
■■ Verwarming ■■ Aardgas
■■ Airconditioning

Referentie Onderdeel NR:
46 -U3 -10227-10248

Neem contact met ons op

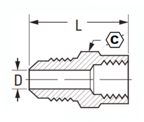
Specificaties

DEEL#

Flare O.D × Thread

C

D

L

46-3A

3/16 × 1/8

9/16

.126

.58

46-4A

1/4 × 1/8

9/16

.189

.69

46-4B

1/4 × 1/4

11/16

.189

.79

46L-4B

1/4 × 1/4

11/16

.189

.88

46-4C

1/4 × 3/8

13/16

.189

1.06

46-4d

1/4 × 1/2

15/16

.189

1.31

46-5A

5/16 × 1/8

5/8

.219

1.38

46-5B

5/16 × 1/4

11/16

.219

1.44

46-5C

5/16 × 3/8

13/16

.219

1.69

46-6A

3/8 × 1/8

5/8

.282

1.88

46-6B

3/8 × 1/4

11/16

.282

1.87

46L-6B

3/8 × 1/4

13/16

.282

1.31

46-6C

3/8 × 3/8

13/16

.282

1.44

46-6d

3/8 × 1/2

1 "

.282

1.69

46L-6D

3/8 × 1/2

15/16

.282

1.44

46-8B

1/2 × 1/4

3/4

.408

1.60

46-8C

1/2 × 3/8

13/16

.408

1.62

46L-8C

1/2 × 3/8

13/16

.408

1.46

46-8d

1/2 × 1/2

1 "

.408

1.73

46L-8D

1/2 × 1/2

7/8

.408

1.62

46-8E

1/2 × 3/4

1-3/16

.408

1.75

46-10c

5/8 × 3/8

7/8

.500

1.79

46-10d

5/8 × 1/2

1 "

.500

1.98

46-12d

3/4 × 1/2

1-3/16

.625

2.17

46-12e

3/4 × 3/4

1-3/16

.625

2.08

"L" betekent lichtpatroon.

Deze fittingen zijn volledig uitwisselbaar met volledige patroonfittingen, maar zijn in een insome manier gewijzigd.

Deze aanpassing bevindt zich meestal in de lengte van de buisdraden, gebruikt bij sanitair en lichte industriële toepassingen

*Dimensiegegevens kunnen zonder kennisgeving veranderen

*Ref.sae No.010103

De SAE 45 ° Flare-connector is ontworpen voor toepassingen voor licht-tot-medium plicht die een hoge betrouwbaarheid vereisen. De 46-U3 wordt gebruikt voor maximale druk van 10.000 psi met behulp van nitrilrubberslang met neopreen voering. Deze connector heeft een zware moer die bestand is tegen trillingen en de levensduur van het product verlengt. De SAE Male Flare Fitting maakt gebruik van een bajonet -slotring die geen speciaal hulpmiddel vereist om de aanpassing te vervangen in geval van falen of onderhoud.

Contact met ons

Over Legines

LEGINES INDUSTRIËLE MACHINEREN INC.

Als een professionele fabrikanten van koperen fittingen in China en push op leveranciers van fittingen. Het neemt volledige CNC -bewerking aan en bezit een workshopgebied van 3600 vierkante meter. 45 Automatische machine-tools, 35 semi-automatische CNC-machine-tools, evenals distributeurs, die belangrijke leveranciers zijn geworden voor de productie van Amerikaanse standaard messing onderdelen in China ...
  • eer
  • eer

Instructies & NIEUWS