legines.com
45# SAE 45 ° Flare Brass gesmeed mannelijke tak T -shirt

45# SAE 45 ° Flare Brass gesmeed mannelijke tak T -shirt

Productkenmerken:
■■ Alle koperen constructie
■■ Weer bestand tegen trillingen met het gebruik van lange moer
■■ UL -aanbieding
■■ Functionele vereisten van SAE J512 en J513


Markten: Toepassingen:
■■ Koeling ■■ Koelmiddelen
■■ Zware vrachtwagen ■■ Propaan
■■ Mobiel ■■ Brandstoffen
■■ Industrieel ■■ Adapters
■■ Verwarming ■■ Aardgas
■■ Airconditioning

Referentie Onderdeel NR:
T1 -145f -45 -10203 tot 10221

Neem contact met ons op

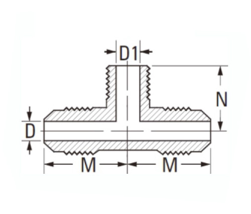
Specificaties

DEEL#

Flare O.D × Thared

D

M

N

45-3A

3/16 × 1/8

.126

.75

.75

45-4A

1/4 × 1/8

.189

.78

.78

45-4B

1/4 × 1/4

.189

.88

.88

45-5A

5/16 × 1/8

.219

.88

.80

45-5B

5/16 × 1/4

.219

1.00

.94

45-6B

3/8 × 1/4

.282

1.00

.94

45-6C

3/8 × 3/8

.282

1.00

1.00

45-6d

3/8 × 1/2

.282

1.12

1.12

45-8C

1/2 × 3/8

.408

1.16

1.09

45-8d

1/2 × 1/2

.408

1.22

1.22

45-1od

5/8 × 1/2

.500

1.41

1.31

45-12d

3/4 × 1/2

.625

1.63

1.59

45-12e

3/4 × 3/4

.625

1.63

1.44

*Ref.sae No.010425

De 45 ° flare messing mannelijke tak T -shirt biedt opties voor uw leidingsysteem. Deze fittingen met schroefdraad zijn universeel omdat ze aan beide kanten kunnen worden gebruikt om te werken met flare of spigot -uiteinden, zoals nodig volgens de industrienormen. Al onze producten zijn gemaakt van messing en zijn zowel duurzaam als betrouwbaar. De eenheid is UL vermeld en voldoet aan de functionele vereisten van SAE J512 en J513. Extra maten beschikbaar op aanvraag.

Contact met ons

Over Legines

LEGINES INDUSTRIËLE MACHINEREN INC.

Als een professionele fabrikanten van koperen fittingen in China en push op leveranciers van fittingen. Het neemt volledige CNC -bewerking aan en bezit een workshopgebied van 3600 vierkante meter. 45 Automatische machine-tools, 35 semi-automatische CNC-machine-tools, evenals distributeurs, die belangrijke leveranciers zijn geworden voor de productie van Amerikaanse standaard messing onderdelen in China ...
  • eer
  • eer

Instructies & NIEUWS