legines.com
54# SAE 45 ° Flare Brass Fittingen gesmeed 45 ° mannelijke elleboog

54# SAE 45 ° Flare Brass Fittingen gesmeed 45 ° mannelijke elleboog

Productkenmerken:
■■ Alle koperen constructie
■■ Weer bestand tegen trillingen met het gebruik van lange moer
■■ UL -aanbieding
■■ Functionele vereisten van SAE J512 en J513


Markten: Toepassingen:
■■ Koeling ■■ Koelmiddelen
■■ Zware vrachtwagen ■■ Propaan
■■ Mobiel ■■ Brandstoffen
■■ Industrieel ■■ Adapters
■■ Verwarming ■■ Aardgas
■■ Airconditioning

Referentie Onderdeel NR:
E415 -654f -47 -54 -59ff -4945 -159f -254 -10448-10459

Neem contact met ons op

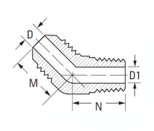
Specificaties

DEEL#

Flare O.D × Thared

D

D1

M

N

54-4A

1/4 × 1/8

.189

.219

.67

.64

54-4B

1/4 × 1/4

.189

.312

.75

.86

54-5A

5/16 × 1/8

.219

.219

.78

.64

54-5B

5/16 × 1/4

.219

.312

.81

.86

54-6B

3/8 × 1/4

.282

.312

.91

.86

54-6C

3/8 × 3/8

.282

.438

.93

.94

54-6d

3/8 × 1/2

.282

.562

.99

1.17

54-8c

1/2 × 3/8

.408

.438

1.07

.88

54-8d

1/2 × 1/2

.408

.562

1.12

1.17

54-10c

5/8 × 3/8

.500

.438

1.13

.95

54-10d

5/8 × 1/2

.500

.562

1.13

1.17

54-12d

3/4 × 1/2

.625

.750

1.28

1.17

54-12e

3/4 × 3/4

.625

.750

1.41

1.20

*Ref.sae No.010302

Dit is een SAE 45 ° Flare Brass Fitting met een gesmede 45 ° mannelijke elleboog. De koperen constructie maakt deze fitting zeer betrouwbaar en duurzaam. De functionele vereisten van SAE J512 en J513 worden voldaan door deze montage, terwijl het gebruik van lange moer trillingen met gebruik vermindert.

Contact met ons

Over Legines

LEGINES INDUSTRIËLE MACHINEREN INC.

Als een professionele fabrikanten van koperen fittingen in China en push op leveranciers van fittingen. Het neemt volledige CNC -bewerking aan en bezit een workshopgebied van 3600 vierkante meter. 45 Automatische machine-tools, 35 semi-automatische CNC-machine-tools, evenals distributeurs, die belangrijke leveranciers zijn geworden voor de productie van Amerikaanse standaard messing onderdelen in China ...
  • eer
  • eer

Instructies & NIEUWS