legines.com
69# Compressie 90 ° koperen mannelijke elleboog

69# Compressie 90 ° koperen mannelijke elleboog

Toepassingen: markten:
■■ Luchtlijnen ■■ Industrieel
■■ Smeerleidingen ■■ Verpakking
■■ Koellijnen ■■ Pneumatisch
■■ Industrie ■■ Afdrukken
■■ Machines
■■ Compressoren
■■ Vloeistofoverdracht

Productkenmerken:
■■ Voldoet aan functionele vereisten van SAE J-512
■■ UL vermeld voor ontvlambare vloeistof
■■ Messing of acetaalhuls beschikbaar
■■ Geen buisvoorbereiding
■■ Gesmeed en geëxtrudeerde vormen

Referentie Onderdeel NR:
69 -169 -S69 -69A

Neem contact met ons op

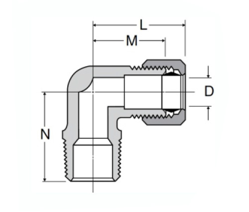
Specificaties

DEEL# Buis o.d*mannelijke nptf N M
69-2a 1/8*1/8 .68 .59
69-3A 3/16*1/8 .68 .62
69-3B 3/16*1/4 .85 .61
69-4A 1/4*1/8 .75 .62
69-4B 1/4*1/4 .91 .65
69-4C 1/4*3/8 .93 .72
69-4d 1/4*1/2 1.11 .82
69-5A 5/16*1/8 .71 .67
69-5B 5/16*1/4 .82 .66
69-5c 5/16*3/8 .93 .81
69-5d 5/16*1/2 1.12 .82
69-6A 3/8*1/8 .72 .72
69-6B 3/8*1/4 .88 .75
69-6c 3/8*3/8 .93 .81
69-6d 3/8*1/2 1.18 .87
69-8B 1/2*1/4 .97 .88
69-8c 1/2*3/8 1.06 .88
69-8d 1/2*1/2 1.13 .94
69-8e 1/2*3/4 1.25 1.16
69-10c 5/8*3/8 1.25 1.06
69-10d 5/8*1/2 1.31 1.06
69-12d 3/4*1/2 1.31 1.19
69-12e 3/4*3/4 1.38 1.19

*Ref.sae No.060202 BA

Onze messing en acetaal 90 ° mannelijke elleboog is ontworpen volgens SAE J-512. Het voldoet aan de functionele vereisten van die specificatie, met een compressievermoerse en een gevormd einde. De messing of acetaalhuls is ingebed in een bewerkte flens die stijfheid biedt, maar kan de buis (s) zonder voorbereiding worden ingevoegd.
90 ° mannelijke messing elleboogaanpassing is ontworpen om slang te verbinden zonder de buisbereiding. Deze universele aanpassing kan worden gebruikt met andere soortgelijke fittingen om complexe leidingsystemen te creëren die gemakkelijk te monteren en te onderhouden zijn.

Contact met ons

Over Legines

LEGINES INDUSTRIËLE MACHINEREN INC.

Als een professionele fabrikanten van koperen fittingen in China en push op leveranciers van fittingen. Het neemt volledige CNC -bewerking aan en bezit een workshopgebied van 3600 vierkante meter. 45 Automatische machine-tools, 35 semi-automatische CNC-machine-tools, evenals distributeurs, die belangrijke leveranciers zijn geworden voor de productie van Amerikaanse standaard messing onderdelen in China ...
  • eer
  • eer

Instructies & NIEUWS