legines.com
65# 90 ° mannelijke vakbond elleboogcompressiefittingen

65# 90 ° mannelijke vakbond elleboogcompressiefittingen

Toepassingen: markten:
■■ Luchtlijnen ■■ Industrieel
■■ Smeerleidingen ■■ Verpakking
■■ Koellijnen ■■ Pneumatisch
■■ Industrie ■■ Afdrukken
■■ Machines
■■ Compressoren
■■ Vloeistofoverdracht

Productkenmerken:
■■ Voldoet aan functionele vereisten van SAE J-512
■■ UL vermeld voor ontvlambare vloeistof
■■ Messing of acetaalhuls beschikbaar
■■ Geen buisvoorbereiding
■■ Gesmeed en geëxtrudeerde vormen

Referentie Onderdeel NR:
65 -265 -65a -S65

Neem contact met ons op

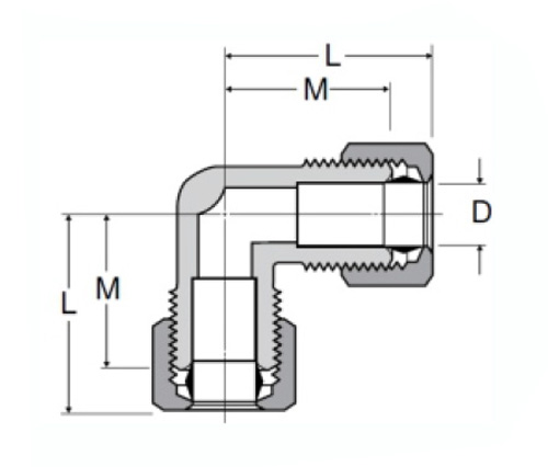
Specificaties

Prt# Buisgrootte o.d M D
65-3 3/16 .61 .125
65-4 1/4 .66 .188
65-5 5/16 .69 .250
65-6 3/8 .72 .312
65-8 1/2 .94 .406
65-10 5/8 1.06 .500
65-12 3/4 1.19 .562
65-6-4 3/8x1/4 .75/.69 .125
65-8-6 1/2x3/8 .94/.88 .312

Tot 6 keer lichter dan vervalste fittingen, de 65-serie beschikt over een lichtgewicht en corrosiebestendige acetaal- of messing lichaam en een gesmede messing middenpen. Met deze pasvorm kunt u het uiteinde van een buis aanpassen aan een hoek van 90 graden. Deze aanpassing is beschikbaar in meerdere materialen en afwerkingen, waaronder messing, roestvrij staal en acetaal. Elke fitting is gestempeld met een onderdeelnummer, waardoor eenvoudige identificatie op alle punten in de supply chain wordt gewaarborgd. Deze elleboog subassemblage wordt meestal gebruikt in brandstofsystemen waar koperen buis met koperen buisverbindingen wordt aanbevolen. Het aantal schroefdraden dat nodig is om de verbinding te maken, kan variëren op basis van het buismateriaal, de wanddikte en de schroefdraadveld.

Contact met ons

Over Legines

LEGINES INDUSTRIËLE MACHINEREN INC.

Als een professionele fabrikanten van koperen fittingen in China en push op leveranciers van fittingen. Het neemt volledige CNC -bewerking aan en bezit een workshopgebied van 3600 vierkante meter. 45 Automatische machine-tools, 35 semi-automatische CNC-machine-tools, evenals distributeurs, die belangrijke leveranciers zijn geworden voor de productie van Amerikaanse standaard messing onderdelen in China ...
  • eer
  • eer

Instructies & NIEUWS