legines.com
64# Brass Union T -stuk compressiefittingen

64# Brass Union T -stuk compressiefittingen

Brass Union Tee Compressiefittingen 64#

Toepassingen: markten:
■■ Luchtlijnen ■■ Industrieel
■■ Smeerleidingen ■■ Verpakking
■■ Koellijnen ■■ Pneumatisch
■■ Industrie ■■ Afdrukken
■■ Machines
■■ Compressoren
■■ Vloeistofoverdracht

Productkenmerken:
■■ Voldoet aan functionele vereisten van SAE J-512
■■ UL vermeld voor ontvlambare vloeistof
■■ Messing of acetaalhuls beschikbaar
■■ Geen buisvoorbereiding
■■ Gesmeed en geëxtrudeerde vormen

Referentie Onderdeel NR:
64 -164c -S64 -64a

Neem contact met ons op

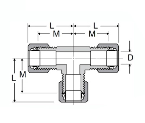
Specificaties

DEEL#

Buisgrootte o.d

M

M

D

64-2

1/8

/

.53

.94

64-3

3/16

/

.59

.125

64-4

1/4

/

.627

.188

64-5

5/16

/

.65

.250

64-6

3/8

/

.73

.312

64-8

1/2

/

.94

.406

64-10

5/8

/

1.06

.500

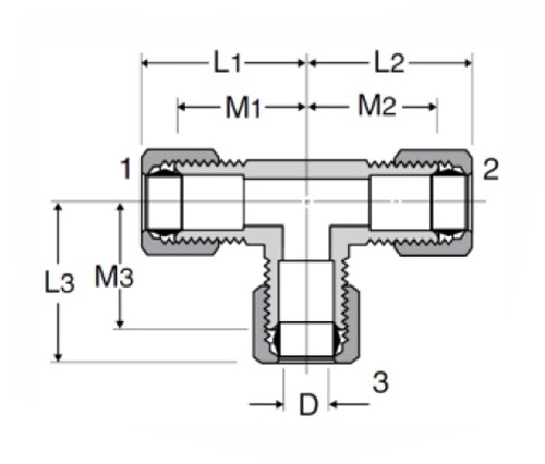
DEEL#

Buisgrootte

M1

M2

M3

64-4-4-6

1/4x1/4x3/8

.69

.69

.75

64-4-6-4

1/4x3/8x1/4

.69

.75

.69

64-6-6-4

3/8x3/8x1/4

.75

.75

.69

64-8-8-6

1/2x1/2x3/8

.94

.94

.81

64-10-10-8

5/8x5/8x1/2

1.06

1.06

1.06

*Ref.sae No.060401 BA

Onze 64 Brass Union T-stuk compressieve fittingen worden UL vermeld voor ontvlambare vloeistof en voldoen aan de functionele vereisten van SAE J-512. Verkrijgbaar in gesmede of geëxtrudeerde vormen, ze zijn verkrijgbaar met zowel bewerkte als ingeklakte draden en in een messing of acetaalhuls. Beschikbaar met messing- of acetaalmouwen, alle componenten zijn ontworpen voor eenvoudige installatie, dus uw installatie verloopt soepel.

Contact met ons

Over Legines

LEGINES INDUSTRIËLE MACHINEREN INC.

Als een professionele fabrikanten van koperen fittingen in China en push op leveranciers van fittingen. Het neemt volledige CNC -bewerking aan en bezit een workshopgebied van 3600 vierkante meter. 45 Automatische machine-tools, 35 semi-automatische CNC-machine-tools, evenals distributeurs, die belangrijke leveranciers zijn geworden voor de productie van Amerikaanse standaard messing onderdelen in China ...
  • eer
  • eer

Instructies & NIEUWS