legines.com
3750# messing fittingen mannelijke run tee koperen pijpfittingen

3750# messing fittingen mannelijke run tee koperen pijpfittingen

Productkenmerken: Markten:
■■ Alle koperen constructie ■■ Industrieel
■■ Voldoet aan functionele vereisten van ■■ Bouw
SAE J530 en SAE J531 ■■ Zware vrachtwagen
■■ Threads gemaakt volgens DrySeal Standards ■■ Mobiel
■■ Zowel smeedstukken als extrusies beschikbaar ■■ Fabriek/procesautomatisering

Toepassingen: compatibele slang:
■■ Luchtlijnen ■■ Koper
■■ Waterlijn ■■ Messing
■■ Koellijnen ■■ IJzeren buis

Specificaties:
Drukbereik tot 1000 psi
Temperatuurbereik -65 ° tot 250 ° F

Typische toepassing:
Vet, brandstoffen, LP en aardgas, koeling. Instrumentatie en hydraulische systemen

Conformiteit:
Voldoet aan specificaties en normen van ASA, ASME en SAE.

Referentie Onderdeel NR:
2225p -225 -3750 -326 -225 -127a -28245 ~ 28249

Neem contact met ons op

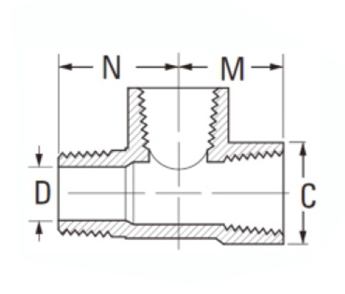
Specificaties

DEEL#

Draadmaat

C

D

M

N

3750-A

1/8

9/16

.219

.55

.66

3750-B

1/4

11/16

.312

.78

.90

3750-C

3/8

13/16

.438

.84

.97

3750-D

1/2

1 "

.562

1.09

1.25

3750-E

3/4

1 "-1/4

.750

1.38

1.38

*Ref.sae.no.130424

#3750 Mannelijke run T -shirtfittingen worden vervaardigd uit messing en voldoen aan de behoeften van industriële, fabrieks-/procesautomatisering en mobiele applicaties. Ze bieden een verbinding voor luchtlijnen onder druk. Compatibele buis is beschikbaar in koper-, messing- en ijzeren pijp. Markten omvatten de bouw, industriële en zware vrachtwagenmarkten. Compatibele materialen omvatten luchtlijnen, waterleidingen en koellijnen. Deze koperen fittingen zijn voor uw gemak in man en vrouw. De materialen zijn sterk genoeg om op te staan om te lekken en te dwingen, waardoor ze ideaal zijn voor elke weersomstandigheden.  Elke montage wordt gemaakt met koperen buizen, messing en andere kwaliteitsmaterialen die kracht, duurzaamheid en levensduur in het stuk brengen.

Contact met ons

Over Legines

LEGINES INDUSTRIËLE MACHINEREN INC.

Als een professionele fabrikanten van koperen fittingen in China en push op leveranciers van fittingen. Het neemt volledige CNC -bewerking aan en bezit een workshopgebied van 3600 vierkante meter. 45 Automatische machine-tools, 35 semi-automatische CNC-machine-tools, evenals distributeurs, die belangrijke leveranciers zijn geworden voor de productie van Amerikaanse standaard messing onderdelen in China ...
  • eer
  • eer

Instructies & NIEUWS