legines.com
3200# Extender Adapter Fittingen

3200# Extender Adapter Fittingen

Productkenmerken: Markten:
■■ Alle koperen constructie ■■ Industrieel
■■ Voldoet aan functionele vereisten van ■■ Bouw
SAE J530 en SAE J531 ■■ Zware vrachtwagen
■■ Threads gemaakt volgens DrySeal Standards ■■ Mobiel
■■ Zowel smeedstukken als extrusies beschikbaar ■■ Fabriek/procesautomatisering

Toepassingen: compatibele slang:
■■ Luchtlijnen ■■ Koper
■■ Waterlijn ■■ Messing
■■ Koellijnen ■■ IJzeren buis

Specificaties:
Drukbereik tot 1000 psi
Temperatuurbereik -65 ° tot 250 ° F

Typische toepassing:
Vet, brandstoffen, LP en aardgas, koeling. Instrumentatie en hydraulische systemen

Conformiteit:
Voldoet aan specificaties en normen van ASA, ASME en SAE.

Referentie Onderdeel NR:
375 -222P -3200 -R1 -120AH -120B

Neem contact met ons op

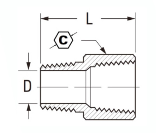
Specificaties

DEEL#

Draadmaat

C

F

L

3200-AA

F1/8 × M1/8

1/2

.219

.88

3200L-AA

F1/8 × M1/8

9/16

.219

.83

3200-ba

F1/4 × M1/8

3/4

.219

1.06

3200L-BA

F1/4 × M1/8

11/16

.219

.94

3200LL-BA

F1/4 × M1/8

5/8

.219

.94

3200-bb

F1/4 × M1/4

3/4

.312

1.25

3200L-BB

F1/4 × M1/4

11/16

.312

1.00

3200LL-BB

F1/4 × M1/4

5/8

.312

1.00

3200-ca

F3/8 × M1/8

7/8

.219

1.00

3200-CB

F3/8 × M1/4

7/8

.312

1.25

3200L-CB

F3/8 × M1/4

13/16

.312

1.12

3200-cc

F3/8 × M3/8

7/8

.438

1.24

3200L-CC

F3/8 × M3/8

13/16

.438

1.12

3200 dB

F1/2 × M1/4

1-1/16

.312

1.46

3200-DC

F1/2 × M3/8

1-1/16

.438

1.47

3200L-DC

F1/2 × M3/8

15/16

.438

1.19

3200-DD

F1/2 × M1/2

1-1/16

.562

1.66

3200L-DD

F1/2 × M1/2

15/16

.562

1.31

3200-ec

F3/4 × M3/8

1-1/4

.438

1.59

3200-ed

F3/4 × M1/2

1-1/4

.563

1.69

3200-EE

F3/4 × M3/4

1-1/4

.750

1.69

*L: Licht

*Ref.sae No.130139

Adapterfittingen zijn gemaakt van zowel smeedijen als extrusies en compatibel met een breed scala aan buizen, waaronder luchtlijnen, waterlijnen, enz. SAE J530 en SAE J531 -threads voldoen aan functionele vereisten van zware vrachtwagenmarkten. Compatibel met zowel koper- als koperen slang, kan dit product een drukbereik aan tot 1000 psi aan. Alle fittingen worden gemaakt in de VS.De 3200 -serie - Series 200 Adapter -fittingen door RSE's zijn ontworpen om buislengtes uit te breiden. Een duurzame, alle koperen constructie maakt deze connectoren ideaal voor industriële, vrachtwagen- en mobiele applicaties. Deze fittingen kunnen elke buisgrootte van 2 inch verbinden en een drukbereik hebben tussen 500-1000 psi, met temperaturen variërend van -65˚ tot 250˚ Fahrenheit. Ook beschikbaar in maten van 1/8 "tot 6". De 3200# extender -adapterfitting is ontworpen voor toepassingen met slanggroottes van 1/2 "tot 2". Het beschikt over een geferruleerd lichaam gemaakt van brons dat bescherming biedt tegen corrosie, zodat de aanpassing kan worden gebruikt op verschillende waterdrukniveaus. Het vrouwelijke uiteinde is schroefdraad en heeft drie ingestelde schroeven.

Contact met ons

Over Legines

LEGINES INDUSTRIËLE MACHINEREN INC.

Als een professionele fabrikanten van koperen fittingen in China en push op leveranciers van fittingen. Het neemt volledige CNC -bewerking aan en bezit een workshopgebied van 3600 vierkante meter. 45 Automatische machine-tools, 35 semi-automatische CNC-machine-tools, evenals distributeurs, die belangrijke leveranciers zijn geworden voor de productie van Amerikaanse standaard messing onderdelen in China ...
  • eer
  • eer

Instructies & NIEUWS