legines.com
3700# Brass Fittingen Union T -shirt pijpfittingen

3700# Brass Fittingen Union T -shirt pijpfittingen

Productkenmerken: Markten:
■■ Alle koperen constructie ■■ Industrieel
■■ Voldoet aan functionele vereisten van ■■ Bouw
SAE J530 en SAE J531 ■■ Zware vrachtwagen
■■ Threads gemaakt volgens DrySeal Standards ■■ Mobiel
■■ Zowel smeedstukken als extrusies beschikbaar ■■ Fabriek/procesautomatisering

Toepassingen: compatibele slang:
■■ Luchtlijnen ■■ Koper
■■ Waterlijn ■■ Messing
■■ Koellijnen ■■ IJzeren buis

Specificaties:
Drukbereik tot 1000 psi
Temperatuurbereik -65 ° tot 250 ° F

Typische toepassing:
Vet, brandstoffen, LP en aardgas, koeling. Instrumentatie en hydraulische systemen

Conformiteit:
Voldoet aan specificaties en normen van ASA, ASME en SAE.

Referentie Onderdeel NR:
2203p -3700 -322 -203 -311 -101a -28024 ~ 28028 -101a

Neem contact met ons op

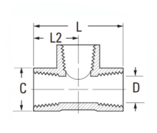
Specificaties

DEEL#

Draadmaat

C

D

L2

L

3700-A

1/8

9/16

.339

.55

1.10

3700-B

1/4

11/16

.438

.78

1.56

3700-C

3/8

13/16

.516

.84

1.68

3700-D

1/2

1 "

.703

1.09

2.18

3700-E

3/4

1 "-1/4

.906

1.38

2.31

*Ref.sae.no.130438

Deze Union Tee -fitting is 100% messing gebouwd en voldoet aan de functionele vereisten van SAE J530, SAE J531, SAE J519 en SAE J529. Het is voor gebruik in mobiele apparatuur en bouwtoepassingen. De vakbonden laten gemakkelijke montage en demontage toe tijdens het reinigen of reparaties. Schroefdraadverbindingen worden gemaakt volgens dryesale normen om lekkage te voorkomen. Wanneer het gaat om het ontwerp en de constructie van uw leidingsysteem, is de 3700# messing fittingen Union Tee het antwoord. Het zal een professionele, duurzame uitstraling naar uw project opleveren terwijl u uw opties uitbreidt als het gaat om de installatie. Deze T -shirt past bij maximaal 3/4 "slang. Het lichaam en de doppen zijn gemaakt van messing, waardoor dit passend bestand tegen corrosie en roest wordt.

Contact met ons

Over Legines

LEGINES INDUSTRIËLE MACHINEREN INC.

Als een professionele fabrikanten van koperen fittingen in China en push op leveranciers van fittingen. Het neemt volledige CNC -bewerking aan en bezit een workshopgebied van 3600 vierkante meter. 45 Automatische machine-tools, 35 semi-automatische CNC-machine-tools, evenals distributeurs, die belangrijke leveranciers zijn geworden voor de productie van Amerikaanse standaard messing onderdelen in China ...
  • eer
  • eer

Instructies & NIEUWS