legines.com
3400# Brass Pipe Fittingen 90 graden straat elleboog

3400# Brass Pipe Fittingen 90 graden straat elleboog

Productkenmerken: Markten:
■■ Alle koperen constructie ■■ Industrieel
■■ Voldoet aan functionele vereisten van ■■ Bouw
SAE J530 en SAE J531 ■■ Zware vrachtwagen
■■ Threads gemaakt volgens DrySeal Standards ■■ Mobiel
■■ Zowel smeedstukken als extrusies beschikbaar ■■ Fabriek/procesautomatisering

Toepassingen: compatibele slang:
■■ Luchtlijnen ■■ Koper
■■ Waterlijn ■■ Messing
■■ Koellijnen ■■ IJzeren buis

Specificaties:
Drukbereik tot 1000 psi
Temperatuurbereik -65 ° tot 250 ° F

Typische toepassing:
Vet, brandstoffen, LP en aardgas, koeling. Instrumentatie en hydraulische systemen

Conformiteit:
Voldoet aan specificaties en normen van ASA, ASME en SAE.

Referentie Onderdeel NR:
2202p -3400 -304 -115 -202 -116a -28156 tot 2816

Neem contact met ons op

Specificaties

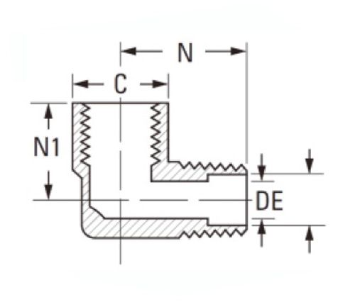
DEEL# Draadmaat C D N N1
3400-AA 1/8 × 1/8 9/16 .219 .66 .47
3400-bb 1/4 × 1/4 11/16 .315 .91 .72
3400-cc 3/8 × 3/8 13/16 .438 .97 .78
3400-DD 1/2 × 1/2 1 " .562 1.25 1.03
3400-EE 3/4 × 3/4 1-1/4 .750 1.38 1.12

Ref.sae No.130239

3400# Brass Pipe Fittingen 90 graden straat elleboog is gemaakt van alle koperen constructie en compatibel met zowel smeedstukken als extrusies; Industriële fittingen die voldoen aan de functionele vereisten van SAE J530 en SAE J531; Markt: bouw, zware vrachtwagen en mobiel. Beide normen worden gevolgd om te werken aan mobiele toepassingen die thermoplastisch rubber (TPR) zijn, is ontwikkeld voor gebruik in automotive, industriële en commerciële toepassingen waar CPVC incompatibel is. Deze lasuiteinde 90 graden straat elleboog is geschikt voor gebruik in hydraulische systemen, vooral bij het werken onder extreme druk. Het is verkrijgbaar in een breed scala van maten en heeft een uitzonderlijke corrosieweerstand. Deze pasvorm wordt gebruikt voor het aansluiten van luchtlijnen die bestaan uit koperen buizen. Het heeft een hoek van 90 graden en is gemaakt van messing, zodat het bestand is tegen zware weersomstandigheden.

Contact met ons

Over Legines

LEGINES INDUSTRIËLE MACHINEREN INC.

Als een professionele fabrikanten van koperen fittingen in China en push op leveranciers van fittingen. Het neemt volledige CNC -bewerking aan en bezit een workshopgebied van 3600 vierkante meter. 45 Automatische machine-tools, 35 semi-automatische CNC-machine-tools, evenals distributeurs, die belangrijke leveranciers zijn geworden voor de productie van Amerikaanse standaard messing onderdelen in China ...
  • eer
  • eer

Instructies & NIEUWS