legines.com
72# Compressiefittingen mannelijke tak T -shirt

72# Compressiefittingen mannelijke tak T -shirt

Toepassingen: markten:
■■ Luchtlijnen ■■ Industrieel
■■ Smeerleidingen ■■ Verpakking
■■ Koellijnen ■■ Pneumatisch
■■ Industrie ■■ Afdrukken
■■ Machines
■■ Compressoren
■■ Vloeistofoverdracht

Productkenmerken:
■■ Voldoet aan functionele vereisten van SAE J-512
■■ UL vermeld voor ontvlambare vloeistof
■■ Messing of acetaalhuls beschikbaar
■■ Geen buisvoorbereiding
■■ Gesmeed en geëxtrudeerde vormen

Referentie Onderdeel NR:
72 -172c -S72 -72a

Neem contact met ons op

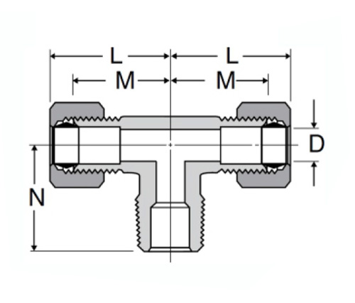
Specificaties

DEEL#

Buis o.d × mannelijke nptf

M

N

D

72-3A

3/16 × 1/8

.63

.69

.125

72-4A

1/4 × 1/8

.63

.75

.188

72-4B

1/4 × 1/4

.69

.88

.188

72-5A

5/16 × 1/8

.72

.75

.250

72-5B

5/16 × 1/4

.75

.88

.250

72-6A

3/8 × 1/8

.75

.75

.312

72-6B

3/8 × 1/4

.79

.87

.312

72-6c

3/8 × 3/8

.88

1.00

.330

72-8c

1/2 × 3/8

.94

1.09

.406

72-8d

1/2 × 1/2

.97

1.19

.406

72-10d

5/8 × 1/2

1.06

1.31

.500

Alle compressiefittingen worden vervaardigd om aan de functionele vereisten van SAE J-512 te voldoen of te overschrijden en UL vermeld voor ontvlambare vloeistof. Ze zijn gemaakt van aluminiumlegering, messing of acetaal. Onze vervalste en geëxtrudeerde vormen hebben een hoge mate van weerstand tegen schade die normaal zou optreden in meer conventionele fittingen. We zullen elke vorm die u kunt voorstellen tot een maximale diameter van 2 ”.
De compressiefittingen mannelijke tak T-shirt is een 90 ° vertakkingstype T-shirt voor gebruik met koper, roestvrij staal en thermoplastische buis. De elleboog draait 360 ° om het gemakkelijker te maken om verbinding te maken met stoere hoeken en T -stukpijpen.

Contact met ons

Over Legines

LEGINES INDUSTRIËLE MACHINEREN INC.

Als een professionele fabrikanten van koperen fittingen in China en push op leveranciers van fittingen. Het neemt volledige CNC -bewerking aan en bezit een workshopgebied van 3600 vierkante meter. 45 Automatische machine-tools, 35 semi-automatische CNC-machine-tools, evenals distributeurs, die belangrijke leveranciers zijn geworden voor de productie van Amerikaanse standaard messing onderdelen in China ...
  • eer
  • eer

Instructies & NIEUWS