legines.com
3/8 thread BSPT -adapter mannelijke T -shirt

3/8 thread BSPT -adapter mannelijke T -shirt

3/8 thread BSPT -adapter mannelijke tee 2080

Typische toepassing:
Vet, koeling, instrumentatie en hydraulische systemen.

Voordelen:
DRYSEAL PIPE DRAADS (BSPT (R)/BSP (G). Large -scala aan maten en configuraties

Neem contact met ons op

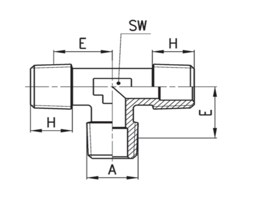
Specificaties

DEEL#

Draadmaat A

S.W

E

2080-A R1/8

11.6

19

2080-B R1/4

16

23

2080-C R3/8

20

25

2080-D R1/2

23

31.5

2080-E R3/4

24

36.5

Contact met ons

Over Legines

LEGINES INDUSTRIËLE MACHINEREN INC.

Als een professionele fabrikanten van koperen fittingen in China en push op leveranciers van fittingen. Het neemt volledige CNC -bewerking aan en bezit een workshopgebied van 3600 vierkante meter. 45 Automatische machine-tools, 35 semi-automatische CNC-machine-tools, evenals distributeurs, die belangrijke leveranciers zijn geworden voor de productie van Amerikaanse standaard messing onderdelen in China ...
  • eer
  • eer

Instructies & NIEUWS