legines.com
staal reducerende tepelkits 2510

staal reducerende tepelkits 2510

Erbij betrekken:
Vermindering van Hex -tepel: 1 pc;
Adapter verminderen: 1 pc;

Pijpfittingen zijn componenten die worden gebruikt voor het aansluiten, beëindigen, regelen van stroom en het veranderen van de richting van leidingen in veel verschillende industrieën. Overweeg bij de aankoop van buisfittingen de toepassing, omdat dit het materiaaltype, de vorm, de grootte en de vereiste duurzaamheid beïnvloedt. Fittingen zijn beschikbaar in schroefdraad of niet -geschoold, in vele vormen, stijlen, maten en schema's (pijpwanddikte).

Typische toepassing:
Vet, koeling, instrumentatie en hydraulische systemen.

Voordelen:
DRYSEAL PIPE DRAADS (BSPT (R)/BSP (G). Large -scala aan maten en configuraties

Neem contact met ons op

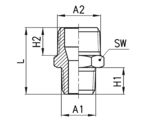
Specificaties

DEEL#

Draadmaat A1 × A2

S.W

L

H

2510-Ab

R1/8 × R1/4

14

23.5

7.5

2510-AC

R1/8 × 3/8 17 24.0 7.5

2510-BC

R1/4 × R3/8

17

27.5

11.0

2510-BD

R1/4 × R1/2

22

30.5

11.0

2510-CD

R3/8 × R1.2

22

31.0

11.5

2510-DE

R1/2 × R3/4

27

37.5

14.0

Contact met ons

Over Legines

LEGINES INDUSTRIËLE MACHINEREN INC.

Als een professionele fabrikanten van koperen fittingen in China en push op leveranciers van fittingen. Het neemt volledige CNC -bewerking aan en bezit een workshopgebied van 3600 vierkante meter. 45 Automatische machine-tools, 35 semi-automatische CNC-machine-tools, evenals distributeurs, die belangrijke leveranciers zijn geworden voor de productie van Amerikaanse standaard messing onderdelen in China ...
  • eer
  • eer

Instructies & NIEUWS