legines.com
1570 D.O.T 90 ° elleboogadapter

1570 D.O.T 90 ° elleboogadapter

Productkenmerken:
■■ Messing collet
■■ Buna n o-ring
■■ Roestvrijstalen buisondersteuning
■■ Ontmoet D.O.T. FMVSS571.106
■■ Ontmoet SAE J2494 & SAE J2494-3

Markten:
■■ Zware vrachtwagen
■■ Trailer
■■ Mobiel

Toepassingen:
■■ Luchtremmen
■■ Luchttanks
■■ Luchtrit
■■ Schuifregelaars
■■ Bandeninflatie
■■ Primaire en secundaire lijnen

Compatibele buizen:
■■ SAE J844 Type A & B Nylon Tubing

Referentie Onderdeel NR:
AQ70DOT -170 PMT -1870 -DQ70DOT -1570DOT

Neem contact met ons op

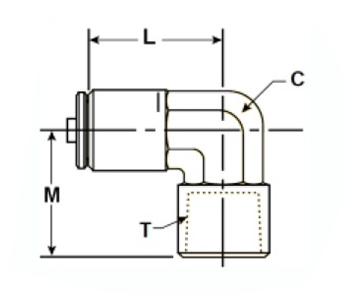
Specificaties

DEEL#

Buis o.d × femlae nptf

C

M

L

1570-DOT-4A

1/4 × 1/8

3/8

.82

.92

1570-dot-4b

1/4 × 1/4

1/2

.94

.102

1570-dot-4c

1/4 × 3/8

5/8

.98

1.11

1570-dot-6b

3/8 × 1/4

1/2

.94

.96

1570-dot-6c

3/8 × 3/8

5/8

.91

.98

1570-dot-8d

1/2 × 1/2

5/8

1.21

1.14

De SAE J1570 DOT 90 ° elleboogadapter heeft een koperen collet en buna N type O-ring voor lekvrije bevestiging en eenvoudige installatie, terwijl de roestvrijstalen buisondersteuning zorgt voor duurzaamheid. Het ontmoet D.O.T. Vereisten, voldoen aan FMVSS571.106, SAE J2494 & SAE J2494-3 Specificaties voor gebruik met SAE J844 Type A & B Nylon Tubing in zware vrachtwagen, trailer en mobiele toepassingen. Deze 90 ° koperen elleboogadapter is een solide verbinding tussen twee stukken van 3/16 SAE Air Brake Tubs. Dankzij het lage profielontwerp van deze adapter kan het in krappe ruimtes passen, terwijl het nog steeds sterk genoeg is om te voldoen aan de DOT -specificatie. Deze koperen elleboog is ontworpen om aan het uiteinde van uw luchtlijnen te worden gemonteerd, waardoor ze de hoeken op krappe plaatsen kunnen draaien. Het is gemaakt van corrosiebestendige materialen en bevat een roestvrijstalen ondersteuningsbuis die het stevig houdt.

Contact met ons

Over Legines

LEGINES INDUSTRIËLE MACHINEREN INC.

Als een professionele fabrikanten van koperen fittingen in China en push op leveranciers van fittingen. Het neemt volledige CNC -bewerking aan en bezit een workshopgebied van 3600 vierkante meter. 45 Automatische machine-tools, 35 semi-automatische CNC-machine-tools, evenals distributeurs, die belangrijke leveranciers zijn geworden voor de productie van Amerikaanse standaard messing onderdelen in China ...
  • eer
  • eer

Instructies & NIEUWS