legines.com
1565 Push in Connect Fittingen elleboog

1565 Push in Connect Fittingen elleboog

Productkenmerken:
■■ Messing collet
■■ Buna n o-ring
■■ Roestvrijstalen buisondersteuning
■■ Ontmoet D.O.T. FMVSS571.106
■■ Ontmoet SAE J2494 & SAE J2494-3

Markten:
■■ Zware vrachtwagen
■■ Trailer
■■ Mobiel

Toepassingen:
■■ Luchtremmen
■■ Luchttanks
■■ Luchtrit
■■ Schuifregelaars
■■ Bandeninflatie
■■ Primaire en secundaire lijnen

Compatibele buizen:
■■ SAE J844 Type A & B Nylon Tubing

Referentie Onderdeel NR:
AQ65DOT -165PMT -1865 -DQ65DOT -1565 -DOT

Neem contact met ons op

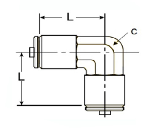
Specificaties

DEEL# Buis o.d C L
1565-dot-4 1/4 3/8 .92
1565-dot-6 3/8 1/2 .96
1565-DOT-8 1/2 5/8 1.16
1565-DOT-10 5/8 11/16 1.19
1565-DOT-12 3/4 15/16 1.40

Duw in passen voor SAE J844 Type A, B, C en D Nylon Tubing. Gebruikt met buna O-ring en roestvrijstalen buissteunen om een veilige installatie van slangen zoals luchtremmen, stuurbekrachtigingen en meer mogelijk te maken. De aanpassing wordt vervaardigd met materialen van hoge kwaliteit om een goede functionaliteit en een lange levensduur te garanderen.1565 Push in Connect Fittingen elleboog is een montage die wordt gebruikt met rubberen slang. Het heeft een koperen collet. Deze aanpassing wordt vervaardigd door TUSA P/N: 1565-DOT.Pneumatische Connect-fittingen worden gebruikt in combinatie met slang om een barrièrevrije, permanente of tijdelijke assemblage te creëren die standaard pneumatische componenten gebruikt.

Contact met ons

Over Legines

LEGINES INDUSTRIËLE MACHINEREN INC.

Als een professionele fabrikanten van koperen fittingen in China en push op leveranciers van fittingen. Het neemt volledige CNC -bewerking aan en bezit een workshopgebied van 3600 vierkante meter. 45 Automatische machine-tools, 35 semi-automatische CNC-machine-tools, evenals distributeurs, die belangrijke leveranciers zijn geworden voor de productie van Amerikaanse standaard messing onderdelen in China ...
  • eer
  • eer

Instructies & NIEUWS