legines.com
146SV slang Barb to Swivel 45 ° vrouwelijke flare

146SV slang Barb to Swivel 45 ° vrouwelijke flare

Productkenmerken:
■■ Alle koperen constructie
■■ Fluorocarbon o-ringen
■■ NPTF, SAE rechte draad, metrische draaduiteinden
■■ Herbruikbaar
■■ Klem vereist

Markten:
■■ Industrieel
■■ Bouw
■■ Zware vrachtwagen
■■ Mobiel

Compatibele buizen:
■■ Rubberslang
■■ GPH -slang

Referentie Onderdeel NR:
146HBLFSV -144 -FSS -128

Neem contact met ons op

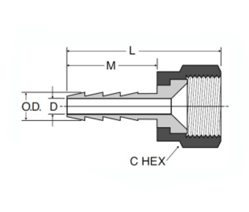
Specificaties

DEEL#

Slang I.D × vrouwelijke flare

C

D

M

L

*146SV-4-4

1/4 × 7/16-20

9/16

.187

.97

1.55

*146SV-4-6

1/4 × 5/8-18

3/4 .187 .97 1.65

*146SV-6-6

3/8 × 5/8-18

3/4 .281 .97 1.65

*146SV-8-8

1/2 × 3/4-16

7/8 .375

.97

1.70
** 146SV-4-4

1/4 × 7/16-20

9/16 .187 .97 1.55

** 146SV-6-6

3/8 × 5/8-18

3/4 .281 .97 1.65

*Vrouw 45 Sae Flare Swivel

** Vrouw 37 JIC Flare Swivel

Snap-on Swivel 45 ° vrouwelijke slangbarb naar flare, 1/4 "of 3/8" NPT mannelijke draad, universeel gewricht omvat O-ring. De 146HBLFSV heeft een rechte draad aan de ene kant en een flare aan de andere. Dit elimineert de behoefte aan een tweede pijpaanpassing voor een hoek van 45 graden. Het is compatibel met 303, 304 en 316 SAE roestvrij staal en rubberen slang of tuinslangtoepassingen.
Dit product is ideaal voor strakke spaties, omdat het een luchtdichte afdichting biedt bij het aansluiten van twee pijpen. De O-ringen zullen in de loop van de tijd niet verslechteren of barsten, zodat de slang meerdere keren kan worden gebruikt. Het komt ook met zowel rechte als metrische draaduiteinden, waardoor het perfect is voor verschillende banen.
De 146SV is een 1 "zwenkwijk naar SAE rechte draad 90 ° elleboog. Slangbars en andere adapters zijn verkrijgbaar in veel verschillende maten en stijlen, waaronder weerhaken of trip-on en rechte of 45 ° ellebogen. De individuele componenten zijn herbruikbaar, die de verwijderingskosten vermindert die zijn geassocieerd met oude huizen die zijn afgesneden van apparatuur.

Contact met ons

Over Legines

LEGINES INDUSTRIËLE MACHINEREN INC.

Als een professionele fabrikanten van koperen fittingen in China en push op leveranciers van fittingen. Het neemt volledige CNC -bewerking aan en bezit een workshopgebied van 3600 vierkante meter. 45 Automatische machine-tools, 35 semi-automatische CNC-machine-tools, evenals distributeurs, die belangrijke leveranciers zijn geworden voor de productie van Amerikaanse standaard messing onderdelen in China ...
  • eer
  • eer

Instructies & NIEUWS